Sign In | Join Free | My xuijs.com
China Shenzhen Yanbixin Technology Co., Ltd. logo
Shenzhen Yanbixin Technology Co., Ltd.
Customer first, Quality assurance, Integrity-based
Verified Supplier

7 Years

Home > 3 Phase EMI Filter >

80A 60HZ Three Phase 3 Wire EMI Filter High Current RFI filter For Industrial Machinery

Shenzhen Yanbixin Technology Co., Ltd.
Trust Seal
Verified Supplier
Credit Check
Supplier Assessment
Contact Now

80A 60HZ Three Phase 3 Wire EMI Filter High Current RFI filter For Industrial Machinery

Brand Name : YBX

Model Number : YX82G7-75A-T

Certification : CE,ROHS

Place of Origin : China

MOQ : 5PCS

Price : Negotiable

Payment Terms : T/T

Supply Ability : 10000 Piece/Pieces per Month

Delivery Time : 15-25 days

Packaging Details : 0.45*0.23*0.16*1 m

Rated Voltage Max. : 300-520VAC,50/60Hz

Operating frequency : DC to 400Hz

Rated currents : 1~50A@40°C, 50°C(UL/CUL)

L-N : 1450VDC

L/N-G : 2750VDC

Climatic category : -25°C~+85°C(25/85/21)

Flammability: corresponding to : UL 94V-0

Transfer Function : Low Pass

Environmental Temperature : 40°C

Contact Now

80A 60HZ Three Phase 3 Wire EMI Filter High Current RFI filter For Charging Pile Station

 

Three Phase Three Wire EMI Filter:

 

YX82G7-75A-T is a three phase three wire filter designed to reduce or eliminate the existence of electromagnetic interference in the three phase power system.Three-phase power supplies are used in many industrial and commercial applications to provide a more efficient and stable power supply than single-phase power supplies.

 

Features Of Three Phase RFI Filter:

 

1. General purpose three-wire filtering

 

2. Rated currents from 1 to 100A

 

3. Protection against interference of voltage

 

4. Voltage rating 440VAC for worldwide acceptance

 

5. Used as the main input filter, YX82 filters can keep the system reliable by restraining the conducted interference.

 

6. Customized products according to customer's requirements

 

YX82G7 EMI Filter Applications:

 

-- Mainframe computer systems

 

-- High power office equipment

 

-- UPS/SMPS

 

-- Automation equipment

 

Technical Parameters:

 

Product Series

Three-phase EMI Filter

Model No.

YX82G7-75A-T

Transfer Function

Low Pass

Package Type

Surface Mount

Nominal Center Frequency

10K-30MHZ

Insertion Loss

60~90dB

Input Impedance

50Ω

Rated Voltage

380V-520V

Rated Current

1~200A

Environmental Temperature

40°C

Temperature Range

25 / 085 / 21

Operating Frequency

50/60HZ

Line to Line

2250VDC

Line to Ground

2750VDC

Line to Neutral line

1450VDC

Maximum Leakage Current

520VAC/50HZ 25mA Max

 

Rule of Nomination:

 

YX----82---------G7--------75A----------T

           ¦              ¦              ¦                ¦   

      circuit     case      current   connection: Terminal blocks

 

YX82G7-75-T RFI Filter Product Picture:

 

80A 60HZ Three Phase 3 Wire EMI Filter High Current RFI filter For Industrial Machinery

 

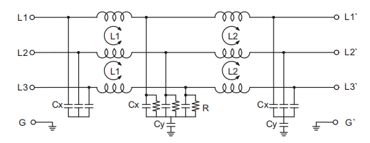
Electrical schematic:

 

Mechanical Dimension(Unit: mm)

 


Insertion loss table(In 50ohm system according to IEC/CISPR No.17)

 

 

The pictures of our factory :

 

 

The patents and certifications:

80A 60HZ Three Phase 3 Wire EMI Filter High Current RFI filter For Industrial Machinery

Single Phase Filter:
cUL:20190321-E471748
TUV:B0899310001Rev.01
CQC:19001226449
CE:SZAIS180620005-01
ROHS:MMCRHRWM60371744
Three Phase Filter:
cUL:20190325-E502442
ENEC:ENEC-02580
CE:SZAIS180620005-01
ROHS:MMCRHRWM60371744

 

FAQ:


Q: What are the main products of your company?
A: IEC inlet socket EMI filter, single-phase filter, Three-phase RFI filter, house appliance noise filter, Medical equipment filter, inverter/converter EMC filter, etc.

 

Q: How is the quality of your product?
A: All our products have pass UL, TUV, CE, ROHS, ISO9001 approval. which ensures the quality of the product.

 

Q: What are services available for pre-batch orders?
A: Free samples and EMC technical rectification services are supplied before-sale

 

Q: What are services available after-sales?
A: Free replacement within three-month, free maintenance within six-year, life-long maintenance.

 

Q: What facilities do you have?
A: We have our own laboratory and production base to establish large-scale production.

 

Q: What the delivery time for 1000pcs of EMI FILTER?
A: Normally 20-25 days, but we can coordinate for a better delivery time if it is urgent.

                                         


 


Product Tags:

200A EMI Power Filter

      

60HZ EMI Power Filter

      

60HZ 3 Phase EMI Filter

      
Best 80A 60HZ Three Phase 3 Wire EMI Filter High Current RFI filter For Industrial Machinery wholesale

80A 60HZ Three Phase 3 Wire EMI Filter High Current RFI filter For Industrial Machinery Images

Inquiry Cart 0
Send your message to this supplier
 
*From:
*To: Shenzhen Yanbixin Technology Co., Ltd.
*Subject:
*Message:
Characters Remaining: (0/3000)
 
Inquiry Cart 0